電廠鍋爐主蒸汽管道隔離門前疏放水門管接座斷裂泄漏事件
一、事件分析
機組編號#1停機時間8月1日17:13
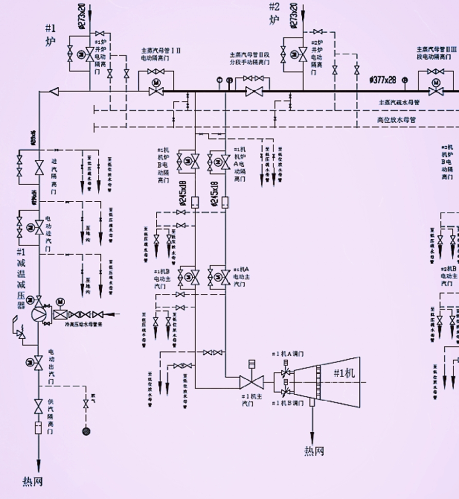
設備簡況:熱電廠現運行總裝機容量120MW,兩臺60MW抽凝式供熱機組,配套三臺240噸循環流化床鍋爐。#1汽輪機型號C60-8.83/1.27,單缸、沖動、單抽汽、凝汽式,具有一級調整抽汽,由上海汽輪機有限公司制造,2006年8月31日投產,至今運行90372小時。
二、事前工況
#1、2機正常運行,#1機電負荷59.59MW,抽汽69t/h;#2機電負荷59.63MW,抽汽72t/h;#1、2、3爐正常運行,#1爐負荷190t/h;#2爐負荷206t/h;#3爐負荷192t/h。機組運行參數正常。
三、事件經過
8月1日
17:08運行人員發現#1機機爐A電動隔離門前疏放水門有泄漏并匯報值長。
17:09#1機減負荷,匯報值長。
17:10 值長匯報地調由于#1機機爐A電動隔離門前疏放水門泄漏,申請停機臨檢。
17:12 地調來電同意#1機停運轉臨檢。
17:13 按下集控室內#1機停機電磁閥停機,關閉#1機A、B側機爐隔離門,關閉#1機A、B側電動主汽門,關閉#1機供汽電動隔離門,檢查#1機高壓油泵已啟動,就地開啟#1機真空破壞門。
17:15 投用#1減溫減壓器保證供熱。
17:16 關閉主蒸汽母管Ⅰ、Ⅱ段電動隔離門,關閉主蒸汽母管Ⅱ段手動隔離門進行漏點隔離。
17:17 匯報股份值班室#1機停機轉臨檢。
17:30#1機轉速到0,投運#1機盤車。
17:45 檢查確認#1機A側機爐隔離門前疏放水門管接座泄漏。
8月2日
16:45檢修工作結束,#1機組恢復備用,匯報股份公司值班室。
20:20#1機組沖轉
24:00#1機組并網
四、原因分析:
使用合金鋼分析儀檢查主蒸汽A側管接座材質為12Cr1MoVG(照片),檢查疏放水管材質為12Cr1MoV(照片),經檢查原使用的管接座、疏放水管材質正確。
宏觀檢查疏水管沿管座變徑部位斷裂,觀察斷口形貌,斷口處壁厚較薄,約2.5mm,斷口內壁有一圈深度約0.5mm的臺階(機加工內鏜時形成),斷口外圈呈45°拉斷剪切唇,初步判斷裂紋源于內壁,為原始管接座制作過程存在缺陷,待江蘇方天對斷裂口做進一步的金相分析(硬度、金相、測厚),將提供詳細分析報告。
鑒于上述情況原因分析如下:
1.測量A側管接座薄壁部分壁厚為2.5mm,且有0.5mm的內鏜臺階,實際有效壁厚不足2mm,明顯低于設計規范。
2.A側管接座變徑臺階坡度不足,且無圓弧過渡,應力集中系數較大,而且內鏜臺階位置與管接座外壁變徑部位重合。
五、暴露問題
1.#1機機爐A側電動隔離門前疏放水管管接座存在制造缺陷(已聯系江蘇方天對斷裂口做進一步的金相分析)
2.對管接座大小頭變徑處應力集中認識不足。
3.疏放水管道沒有支吊,可能會在操作閥門時產生應力。
4.鍋爐計劃檢修和汽機計劃檢修之間不協調,對應的鍋爐、汽機未能同時進行檢修,導致部分主蒸汽管道、管接座未能檢查。
六、防范措施
1.對#1機A側及B側電動隔離門前疏放水門管接座進行處理,更換疏水彎管并在在疏水管道上加裝吊架。
2.利用#1機調停機會對#1機主蒸汽管道疏水管接座變徑處增加變徑大小頭(小頭處壁厚采用4mm)。
3.在#2機計劃檢修期間(2017年10月份)對主蒸汽管道疏水管接座進行檢查,割除管接座變徑處短管并增加變徑大小頭(小頭處壁厚采用4mm)。
4.對目前暫無法檢查的主汽系統管接座進行現場隔離,掛警示牌。
5.完善機組檢修金屬監督項目,做好管接座的檢查內容、要求。
6.增加對機加工備件的檢查驗收工作,特別是管接座不允許有內鏜臺階,光潔度達到規范要求。
